産品詳情
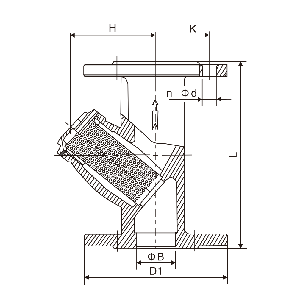
主要外形尺(chi)寸
|
DN(mm) |
NPS(in) |
L |
H |
K |
D1 |
n-Φd |
|
80 |
3 |
305 |
96 |
160 |
8-18 |
|
|
100 |
4 |
314 |
220 |
180 |
220 |
8-18 |
|
125 |
398 |
235 |
210 |
245 |
8-18 |
|
|
150 |
470 |
250 |
240 |
8-22 |
||
|
200 |
8 |
543 |
330 |
295 |
338 |
蘇公(gōng)網安備 32010202011315号