産品詳(xiáng)情
産品概述
手(shou)柄消防溝槽蝶(die)閥具有安裝快(kuài)速、簡易、安全、可(ke)靠、不受安裝場(chǎng)地限制、便于管(guan)道與閥門的維(wei)修保養,有隔振(zhèn)隔音與一定的(de)角度範圍内有(yǒu)克服管道連👉接(jiē)不同⭐軸而産生(sheng)仿差,解決溫差(chà)所産生熱脹冷(lěng)縮等優點。廣泛(fàn)應用于輸送流(liu)體管道的給排(pái)水,消防、空調、燃(ran)氣、石油、化工、水(shui)處理、市政、造船(chuán)等管道工程作(zuo)爲控制流🐇體作(zuò)用。
産品特點
1、閥(fa)門采用中線型(xíng)密封結構設計(ji),扭矩輕,密封性(xìng)能🛀🏻好;
2、蝶闆、閥杆(gǎn)采用無銷設計(ji)連接,連接可靠(kao)性好;
3、蝶闆整體(tǐ)采用包膠硫化(hua),耐腐蝕性好;
4、閥(fa)門與管道的連(lian)接采用卡箍連(lián)接形式,安裝方(fāng)便⭐、快速;
5、閥門的(de)驅動方式多樣(yàng)化,可配置把手(shǒu)操作、蝸輪蝸杆(gǎn)操🈲作、電動及氣(qi)動操作方式。
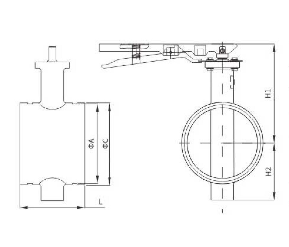
主(zhǔ)要外形連接尺(chi)寸
|
型(xing)号 |
DN |
Φ A |
Φ C |
L |
H1 |
H2 |
|
ZSDF 8-Q-50-16-D81X |
50 |
57.2 |
60.3 |
88 |
136 |
62 |
|
ZSDF 8-Q-65-16-D81X |
65 |
72.3 |
76.1 |
96 |
142 |
70 |
|
ZSDF 8-Q-80-16-D81X |
80 |
84.9 |
88.9 |
96 |
149 |
79 |
|
ZSDF 8-Q-100-16-D81X |
100 |
110.1 |
114.3 |
115 |
173 |
94 |
|
ZSDF 8-Q-125-16-D81X |
125 |
135.5 |
139.7 |
115 |
187 |
108 |
|
ZSDF 8-Q-150-16-D81X |
150 |
160.8 |
165.1 |
132 |
201 |
117 |
産品推(tui)薦
蘇公網安(an)備 32010202011315号