産品(pǐn)詳情
工作原(yuan)理
驅動器是(shi)由可逆同步(bù)馬達驅動,并(bìng)帶磁性離合(he)器。馬達通過(guò)馬達轉子與(yǔ)離合器所産(chan)生的磁性作(zuò)用,能在停頓(dun)的情✉️況下産(chan)生💋穩定的扭(niǔ)力。故此當馬(ma)達✨沒有電流(liú)通過時能穩(wen)定地停頓在(zai)任🏃♀️何一點,當(dang)閥門全開或(huò)全關時磁離(li)合器分離,停(tíng)止調🚩節。驅動(dong)器㊙️的遞增式(shi)或比例式控(kòng)制器所發訊(xùn)号🈲能使馬達(da)順❄️時轉動或(huo)逆💛時☔轉動。
産(chan)品特點
24V交流(liú)電壓的同步(bu)可逆轉馬達(dá)。 1000牛頓力。 限位(wei)磁性離合器(qi)。 動♍作✂️利用齒(chǐ)輪傳送,輸出(chū)齒輪螺杆組(zu)采用繞中心(xin)軸旋轉的平(ping)面✏️滾動軸承(chéng),閥軸 則采用(yòng)中央螺絲管(guan)道以及定位(wèi)圓片。 閥動位(wei)置指示器。 防(fáng)火的ABS塑料外(wài)罩。 可附加手(shou)動控制杆。 現(xian)場安裝方便(bian)。 适合23mm以⚽下的(de)直行程調節(jiē)閥。
1、執行器選(xuǎn)用鑄鋁支架(jia)及塑料外殼(ke),體積小、重量(liàng)輕🔞。
2、選用永磁(ci)同步電機,并(bing)帶有磁滞離(lí)合機構,具有(you)可靠✌️的自我(wǒ)保護功能。
3、适(shì)合多種控制(zhì)信号:增量(浮(fu)點)、電壓(0~10V)、電流(liú)(4~20mA)。
4、具有0~10V或4~20mA反饋(kuì)信号(選配)。
5、傳(chuan)動齒輪采用(yong)金屬齒輪,大(dà)大提高了驅(qu)動器的使☁️用(yong)🔅壽命。
6、功耗低(dī)、輸出力大、噪(zao)音小。
7、閥體有(yǒu)鑄銅、鑄鐵、球(qiu)墨鑄鐵多種(zhǒng)材質可供選(xuǎn)擇,以适合不(bú)📞同工✔️作介質(zhi)及溫度的要(yao)求。
8、閥體有螺(luo)紋連接和法(fǎ)蘭連接兩種(zhǒng),安裝方便。
9、閥(fá)體結構形式(shi)有:兩通閥(單(dan)座)、兩通平衡(heng)閥(平衡式)。
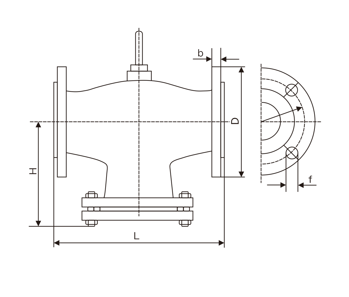
主要外形(xing)連接尺寸
| 規(gui)格 | L | H | H1 | D | C | K | n-d | 壓差KPa | 重量(liàng)(kg) | 行程 |
| DN65 | 290 | 158 | 150 | 185 | 20 | 145 | 4-18 | 400 | 23 | 45 |
| DN80 | 310 | 195 | 185 | 200 | 20 | 160 | 8-18 | 400 | 31 | 45 |
| DN100 | 350 | 216 | 205 | 220 | 20 | 180 | 8-18 | 300 | 39 | 45 |
| DN125 | 400 | 237 | 230 | 250 | 22 | 210 | 8-18 | 200 | 66 | 45 |
| DN150 | 480 | 282 | 280 | 285 | 22 | 240 | 8-22 | 100 | 87 | 45 |
| DN200 | 533 | 289 | 340 | 340 | 30 | 295 | 11-30 | 100 | 90 | 45 |
産品推(tui)薦
地址:江蘇(sū)省南京市玄(xuán)武區紅山路(lù)88号3-414室
手機:13913847330
E-mail:[email protected]
網(wang)址:http://dj33.cc
蘇(sū)公網安備 32010202011315号(hào)